
龙芯3A4000主板规格
尺寸:UATX 240mmx181mm
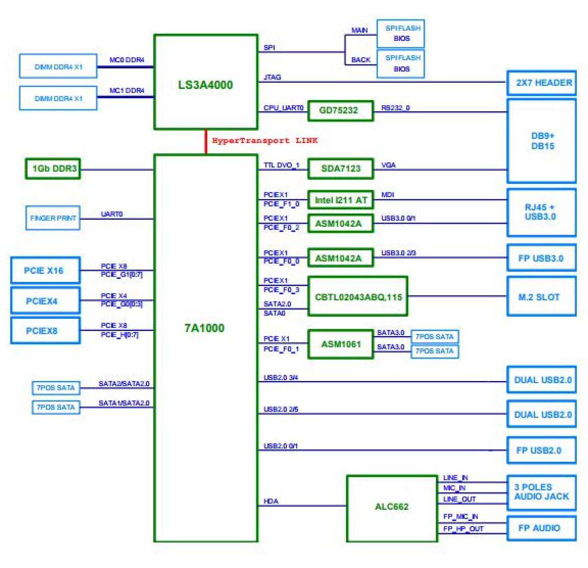
处理器:龙芯3A4000,数量:1颗,主频:4核 1.8G。
桥片:型号:LS7A1000 。
内存类型:双通道DDR4,容量:最大支持 8G*2, 插槽:RDIMM*2。
存储:SATA2.0*2,接口类型:M.2(SATA和PCIE都兼容)接口数量:1个。
显卡:1路VGA显示接口,显示分辨率不小于1024×768,支持1080P,显存:128MB。
适配独显:HD8450/R5230
网络:板载1个intel I210芯片,提供1路千兆以太网接口,支持10Mbps/100Mbps/1000Mbps自适应。
声卡:ALC662, LINE_IN/MIC_IN/LINE_OUT F-MIC HP接口支持。
接口:
USB2.0:REARx4,FRONTx2。USB3.0:REARx2,FRONTx2。
串口:一个 EJTAG/JTAG 接口,2X7HEADER ,一个 DB9, 一个 FINGERTOUCH(指纹识别)。
PCIE:PCIEx16*1 X8LANE),PCIEx8 *1 (X8LANE),PCIEX4x1(X4LANES。
VGA:VGA*1(REAR)。
SATA2.0*2,SATA3.0*2
千兆网口*1,RJ45 接口
ATX 电源接口 24pin
系统风扇 2 个,CPU/7A 风扇 2 个
主板功能框图:

龙芯3A4000主板系统规格。
固件:昆仑固件。
操作系统:可以安装UOS系统或者深度Linux系统
|
手机端访问
|

@2020 河南宝林信息技术有限公司 |
豫公网安备 41019702002991号
|
手机端访问
|